詳情 參數 規格 尺寸 安裝
GRC系列超薄型安全光柵分為GRC-A正面出光、 GRC-B側面出光,能夠有效檢測出進入光幕區域的任何超過檢測精度的不透明物體。適用于模切印刷、非標設備以及其他危險場合的安全防護。配合機床控制系統,實現危險情況時控制自動停機的功能。
產品特點
?電路自檢設計,實現了包括輸出信號在內的全自檢,保證使用安全
?產品設計符合IEC 61496-1/2標準
?帶有短接保護和過載保護功能
?產品橫截面28*14mm,適合狹小空間安裝
?抗電磁干擾能力強,工作更穩定,采用光學同步系統設計,安裝方便
?產品規格多,使用范圍廣,滿足不同使用場合
產品組成
由發光器、受光器、傳輸線、L型支架組成
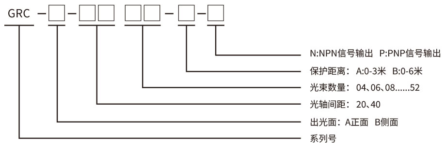
型號說明

產品接線

| 產品系列 | GRC系列 | ||
| 光軸間距 | 20mm | 40mm | |
| 檢測精度 | 28mm | 48mm | |
| 光束數量 | 4、6、8..........56 | 4、6、8..........56 | |
| 對射距離 | A:0-3m B:0-6m | ||
| 檢測光源 | 紅外LED (中心波長940nm或850nm) | ||
| 環境特征 | |||
環境溫度 | 工作 | -10℃~55℃(無結霜及凝露) | |
| 存儲 | -30℃~70℃ | ||
環境濕度 | 工作 | 35%RH~85%RH | |
| 存儲 | 35%RH~95%RH | ||
| 抗電磁干擾 | IEC61000-4-2:IV 級/IEC61000-4-4:IV 級 | ||
| 抗振性能 | 頻率:10 Hz -55Hz 振幅:0.35±0.05mm 描次數: 20掃描/每軸,3軸 | ||
| 防護等級 | IP54 | ||
| 電氣特征 | |||
| 工作電壓 | DC24V±10% | ||
| 響應時間 | ≤18ms | ||
| 輸出信號 | P: PNP N: NPN | ||
| 光軸間距20mm | |||
| 檢測精度28mm | |||
| 光束 | 型號 | 保護高度(mm) | 總高度(mm) |
| 4 | GRC-A/B-20-4 | 60 | 115 |
| 6 | GRC-A/B-20-6 | 100 | 155 |
| 8 | GRC-A/B-20-8 | 140 | 195 |
| 10 | GRC-A/B-20-10 | 180 | 235 |
| 12 | GRC-A/B-20-12 | 220 | 275 |
| 14 | GRC-A/B-20-14 | 260 | 315 |
| 16 | GRC-A/B-20-16 | 300 | 355 |
| 18 | GRC-A/B-20-18 | 340 | 395 |
| 20 | GRC-A/B-20-20 | 380 | 435 |
| 22 | GRC-A/B-20-22 | 420 | 475 |
| 24 | GRC-A/B-20-24 | 460 | 515 |
| 26 | GRC-A/B-20-26 | 500 | 555 |
| 28 | GRC-A/B-20-28 | 540 | 595 |
| 30 | GRC-A/B-20-30 | 580 | 635 |
| 32 | GRC-A/B-20-32 | 620 | 675 |
| 34 | GRC-A/B-20-34 | 660 | 715 |
| 36 | GRC-A/B-20-36 | 700 | 755 |
| 38 | GRC-A/B-20-38 | 740 | 795 |
| 40 | GRC-A/B-20-40 | 780 | 835 |
| 42 | GRC-A/B-20-42 | 820 | 875 |
| 44 | GRC-A/B-20-44 | 860 | 915 |
| 46 | GRC-A/B-20-46 | 900 | 955 |
| 48 | GRC-A/B-20-48 | 940 | 995 |
| 50 | GRC-A/B-20-50 | 980 | 1035 |
| 52 | GRC-A/B-20-52 | 1020 | 1075 |
| 54 | GRC-A/B-20-54 | 1060 | 1115 |
| 56 | GRC-A/B-20-56 | 1100 | 1155 |
| 光軸間距40mm | |||
| 檢測精度48mm | |||
| 光束 | 型號 | 保護高度(mm) | 總高度(mm) |
| 4 | GRC-A/B-40-4 | 120 | 185 |
| 6 | GRC-A/B-40-6 | 200 | 265 |
| 8 | GRC-A/B-40-8 | 280 | 345 |
| 10 | GRC-A/B-40-10 | 360 | 425 |
| 12 | GRC-A/B-40-12 | 440 | 505 |
| 14 | GRC-A/B-40-14 | 520 | 585 |
| 16 | GRC-A/B-40-16 | 600 | 665 |
| 18 | GRC-A/B-40-18 | 680 | 745 |
| 20 | GRC-A/B-40-20 | 760 | 825 |
| 22 | GRC-A/B-40-22 | 840 | 905 |
| 24 | GRC-A/B-40-24 | 920 | 985 |
| 26 | GRC-A/B-40-26 | 1000 | 1065 |
| 28 | GRC-A/B-40-28 | 1080 | 1145 |
| 30 | GRC-A/B-40-30 | 1160 | 1225 |
| 32 | GRC-A/B-40-32 | 1240 | 1305 |
| 34 | GRC-A/B-40-34 | 1320 | 1385 |
| 36 | GRC-A/B-40-36 | 1400 | 1465 |
| 38 | GRC-A/B-40-38 | 1480 | 1545 |
| 40 | GRC-A/B-40-40 | 1560 | 1625 |
| 42 | GRC-A/B-40-42 | 1640 | 1705 |
| 44 | GRC-A/B-40-44 | 1720 | 1785 |
| 46 | GRC-A/B-40-46 | 1800 | 1865 |
| 48 | GRC-A/B-40-48 | 1880 | 1945 |
| 50 | GRC-A/B-40-50 | 1960 | 2025 |
| 52 | GRC-A/B-40-52 | 2040 | 2105 |
| 54 | GRC-A/B-40-54 | 2120 | 2185 |
| 56 | GRC-A/B-40-56 | 2200 | 2265 |

-
戈瑞電子服務熱線
0536-7082999
-
聯系郵箱
gerijy@sdgrdz.com
快速獲得技術支持和詳細報價
歡迎填寫以下表格,完善您的產品需求、聯系方式、設備使用地等信息,我們將快速反饋您的購買咨詢。您還可以通過在線咨詢,電子郵箱和電話與我們聯系,我們的客戶服務團隊將進一步為您提供優質服務。

15662552547
當前位置:
15662552547
